Описание
Отзывы
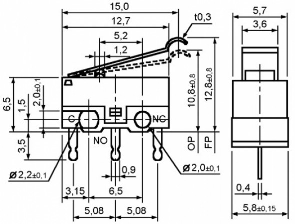
DM3-03P 125v 1a Микропереключатель с лапкой
Характеристики
Количество ножек
3 Pin
Способ монтажа
В отверстие на плату
Тип кнопки
Миниатюрная
GTIN2
2037344614868
Отзывов ещё нет — ваш может стать первым.
Все отзывы 0
На этой странице отзывов нет
