Описание
Отзывы
Технические параметры
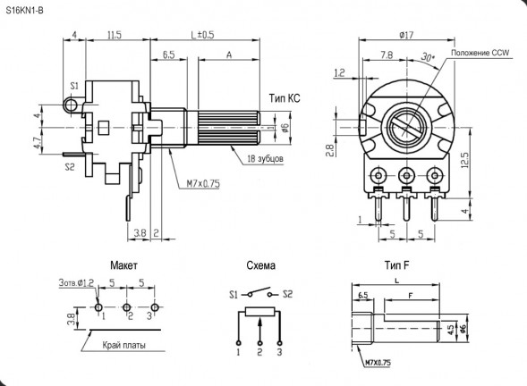
S16KN1-B 50K L15F Потенциометр-переменный резистор
| Тип : | резистор переменный (потенциометр) с выключателем; ФХ* - В |
|---|---|
| Номинальное Сопротивление : | 0...50 кОм |
| Допускаемое Отклонение : | 20 % |
| Номинальная Мощность Рассеяния : | 0,125 Вт |
| Угол Поворота : | 300 +/-5 ° |
| Износоустойчивость Циклов : | 15000 |
| Особенности : | углеродистый резистивный элемент, тип вала - F |
| Максимальный Ток : | переключателя (OFF-ON) - 1 А |
| Контактное Сопротивление, Не Более : | 50 мОм |
| Диапазон Рабочих Температур : | -10…+70 °С |
| Диаметр Корпуса : | 17 мм |
| Глубина : | 15,5 (корпус) + L = 15 (вал) мм |
Характеристики
Модель
S16KN1-B
Сопротивление
50 kOm
GTIN2
13208megaom
Номин. сопротивление
50 кОм
Отзывов ещё нет — ваш может стать первым.
Все отзывы 0
S16KN1-B 50K L15F Потенциометр-переменный резистор
| Тип : | резистор переменный (потенциометр) с выключателем; ФХ* - В |
|---|---|
| Номинальное Сопротивление : | 0...50 кОм |
| Допускаемое Отклонение : | 20 % |
| Номинальная Мощность Рассеяния : | 0,125 Вт |
| Угол Поворота : | 300 +/-5 ° |
| Износоустойчивость Циклов : | 15000 |
| Особенности : | углеродистый резистивный элемент, тип вала - F |
| Максимальный Ток : | переключателя (OFF-ON) - 1 А |
| Контактное Сопротивление, Не Более : | 50 мОм |
| Диапазон Рабочих Температур : | -10…+70 °С |
| Диаметр Корпуса : | 17 мм |
| Глубина : | 15,5 (корпус) + L = 15 (вал) мм |

