Описание
Отзывы
Технические параметры
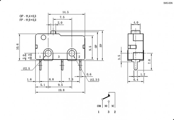
SM5-00N-116 250v 3a Микропереключатель
| Диапазон рабочих температур | 10T85: -10…+85/ 25T85: -25…+85* °С |
| Диэлектрическая прочность | 1000 (50 Гц, 1 мин.) В |
| Дополнительно | FP/ OP - 11,9/ 11,4 ±0,3 мм |
| Количество циклов коммутации (электро), не менее | 30000 раз |
| Контактное сопротивление, не более | 50 мОм |
| Номинальное напряжение | AC: 125/ 250 В |
| Номинальный ток | 3 А |
| Сопротивление изоляции, не менее | 100 (при Uисп.dc=500 В) МОм |
| Схема переключения | ON-(ON) (3P) SPDT |
| Тип | микропереключатель серии SM5 |
Характеристики
Количество ножек
3 Pin
Способ монтажа
В отверстие на плату
Тип кнопки
Миниатюрная
GTIN2
2037344614899
Отзывов ещё нет — ваш может стать первым.
Все отзывы 0
На этой странице отзывов нет
SM5-00N-116 250v 3a Микропереключатель
| Диапазон рабочих температур | 10T85: -10…+85/ 25T85: -25…+85* °С |
| Диэлектрическая прочность | 1000 (50 Гц, 1 мин.) В |
| Дополнительно | FP/ OP - 11,9/ 11,4 ±0,3 мм |
| Количество циклов коммутации (электро), не менее | 30000 раз |
| Контактное сопротивление, не более | 50 мОм |
| Номинальное напряжение | AC: 125/ 250 В |
| Номинальный ток | 3 А |
| Сопротивление изоляции, не менее | 100 (при Uисп.dc=500 В) МОм |
| Схема переключения | ON-(ON) (3P) SPDT |
| Тип | микропереключатель серии SM5 |
